Résumé Technique : Serrure Invisible Télécommandée — Différences Clés entre Système Simple & Double

En tant qu’innovation majeure dans la sécurité physique moderne, les serrures invisibles télécommandées se déclinent en deux architectures : système simple et système double. Leurs différences en fiabilité, sécurité et durée de vie sont significatives et influencent directement l’expérience utilisateur ainsi que la sûreté globale.

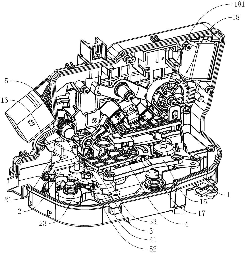
Structure interne d’une serrure intelligente invisible double‑système
Fig. 1 : Structure interne d’une serrure intelligente invisible double‑système

1. Serrure invisible télécommandée à système simple – caractéristiques techniques

Les serrures invisibles anti‑effraction à système simple utilisent une seule carte PCB et un seul moteur. Cette conception économique est courante, mais présente des limites techniques évidentes :

  • Point de défaillance unique : toute la serrure dépend d’une seule PCB et d’un seul moteur
  • Risque de fiabilité : si l’un des deux composants tombe en panne, l’utilisateur ne peut plus ouvrir la porte
  • Coût de réparation élevé : intervention professionnelle nécessaire et serrure inutilisable en attendant
  • Large part de marché : le faible coût fait que la plupart des marques proposent encore uniquement des modèles à système simple

2. Serrure invisible télécommandée à double‑système – avantages techniques

WAFU se concentre sur le développement de serrures invisibles anti‑effraction à double‑système, intégrant deux PCB et deux moteurs :

  • Double redondance : deux systèmes indépendants fonctionnent en parallèle, chacun pouvant secourir l’autre
  • Basculement automatique : en cas de panne du système principal, le système de secours prend le relais en 0,3 s
  • Objectif zéro‑défaillance : élimine les blocages dus à une panne d’un composant unique
  • Durée de vie prolongée : la charge est répartie, réduisant l’usure globale

3. Innovations clés de la technologie double‑système WAFU

WAFU a réalisé plusieurs avancées inédites dans l’industrie :

  • Détection intelligente des pannes : surveillance en temps réel des deux systèmes avec alertes précoces
  • Commutation transparente : le basculement est imperceptible pour l’utilisateur et n’interrompt pas l’usage
  • Algorithme d’équilibrage de charge : répartition intelligente du travail pour éviter le vieillissement prématuré
  • Conception modulaire : remplacement individuel des modules défectueux, réduisant les coûts de maintenance

4. Multiples modes d’ouverture des serrures invisibles télécommandées

Les serrures invisibles modernes offrent plusieurs méthodes d’ouverture adaptées à divers scénarios :

4.1 Déverrouillage par télécommande

  • Technologie à code tournant empêchant le clonage du signal
  • Portée efficace de 15–20 m pour une utilisation pratique
  • Appairage multi‑télécommandes pour répondre aux besoins familiaux

4.2 Déverrouillage via application mobile

  • Connexion via Bluetooth ou Wi‑Fi
  • Prise en charge des autorisations à distance et des codes temporaires
  • Notifications push en temps réel pour informer l’utilisateur

4.3 Déverrouillage par empreinte digitale

  • Reconnaissance d’empreinte vivante par capteur semi‑conducteur
  • < 0,5 s pour l’identification, FAR < 0,001 %
  • Stocke plusieurs empreintes pour un usage familial

4.4 Déverrouillage par code PIN

  • Technologie de code virtuel empêchant l’espionnage par‑dessus l’épaule
  • Codes temporaires à usage unique pour les visiteurs
  • Blocage automatique après plusieurs erreurs pour une sécurité renforcée

5. Valeur réelle de la technologie double‑système

Les serrures invisibles double‑système WAFU offrent des avantages évidents dans l’usage quotidien :

  • Propriétaires : élimine le risque d’être bloqué dehors à cause d’une panne d’un seul composant
  • Locaux commerciaux : garantit que les accès bureaux, magasins ou entrepôts restent toujours opérationnels
  • Biens locatifs : réduit les plaintes des locataires et les coûts de maintenance liés aux pannes de serrure
  • Résidences haut de gamme : offre un niveau de sécurité en adéquation avec la valeur du bien

6. Tendances du secteur & perspectives technologiques

Avec l’évolution des technologies de sécurité intelligente, les serrures invisibles évolueront dans les directions suivantes :

  • La redondance devient la norme : les architectures double ou multi‑système deviendront standard sur les produits haut de gamme
  • Intelligence accrue : les algorithmes d’IA permettront la maintenance prédictive et la détection précoce des pannes
  • Intégration plus profonde : connexion étroite avec les écosystèmes domotiques pour des automatisations contextuelles
  • Sécurité renforcée : fusion plus poussée entre biométrie et technologies de chiffrement
« Dans le domaine des serrures intelligentes, la fiabilité est un indicateur plus essentiel que les fonctionnalités. La technologie double‑système de WAFU résout le problème de fiabilité à la racine et offre aux utilisateurs une véritable sécurité. » —— Directeur R&D, WAFU Smart
WhatsApp
WhatsApp QR code

WhatsApp:

+86 19501835094

phone

Phone: +86 19501835094

backTop